

【產品簡介】
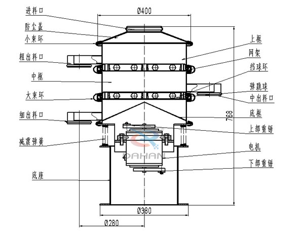
400型全不銹鋼旋振篩整機為不銹鋼材質,進料口出料口不帶翻遍便于鏈接,該旋振篩主要應用于食品醫藥行業等等對環境要求比較高的行業使用。
免費獲取報價
全國統一銷售熱線

400型全不銹鋼旋振篩整機為不銹鋼材質,進料口出料口不帶翻遍便于鏈接,該旋振篩主要應用于食品醫藥行業等等對環境要求比較高的行業使用。

400型全不銹鋼旋振篩是一種高精度細粉篩分機械,工作原理是由直立式電機作激振源,電機上、下兩端安裝有偏心重錘,將電機的旋轉運動轉變為水平、垂直、傾斜的三次元運動,再把這個運動傳遞給篩面。調節上、下兩端的相位角,可以改變物料在篩面上的運動軌跡,由于其振動運轉原理很多企業也稱之為“三次元振動篩分過濾機”。

1、效率高、設計精巧耐用,精類、粘液均可篩分。
2、換網容易、操作簡單、清洗方便。
3、網孔不堵塞、粉末不飛揚、可篩至500目或0.028mm。
4、雜質粗料自動排出,可以連接作業。
5、子母網結構式網架結構,篩網使用時間長久,換網快,只需3-5分鐘。
6、體積小,節省空間、移動方便。







| 型號 | 直徑 (mm) |
進料尺寸 (mm) |
頻率 (RPM) |
層 | 功率 (kw) |
產量 (kg/h) |
| DH-400 | 400 | <10 | <1500 | 1-5 | 0.18 | 100 |
奶粉的篩選離不開振動篩設備,一般廠家建議選擇不銹鋼旋振篩...
篩分面粉一般選擇的振動篩是不銹鋼旋振篩,而其價格一直是用...
大漢醫藥不銹鋼旋振篩價格: 500045000 醫藥不銹鋼旋振篩整機采...
不銹鋼旋振篩采用304不銹鋼材質,耐磨性、耐腐蝕性能好,篩分...
Copyright ? 2007-2024 新鄉市大漢振動機械有限公司 版權所有
All Rights Reserved 備案序號:豫ICP備09002479號-15